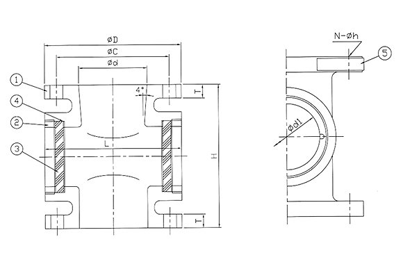
| أبعاد | |||||||||
| اختصار الثاني | φD | φC | φD | N-Φh | تي | ح | ل | Φd1 | |
| 15أ | 15 | 60 | 80 | 4-12 | 12 | 80 | 75 | 15 | |
| 20A | 20 | 65 | 85 | 4-12 | 14 | 85 | 80 | 20 | |
| 25A | 25 | 75 | 95 | 4-12 | 14 | 90 | 86 | 25 | |
| 32A | 32 | 90 | 115 | 4-15 | 16 | 100 | 94 | 32 | |
| 40A | 40 | 95 | 120 | 4-15 | 16 | 100 | 102 | 40 | |
| 50A | 50 | 105 | 130 | 4-15 | 16 | 115 | 115 | 50 | |
| 65A | 65 | 130 | 155 | 4-15 | 18 | 160 | 140 | 65 | |
| 80A | 80 | 145 | 180 | 4-19 | 18 | 180 | 158 | 80 | |
| 100 أمبير | 100 | 165 | 200 | 8-19 | 20 | 210 | 178 | 85 | |
| 125 أمبير | 125 | 200 | 235 | 8-19 | 20 | 245 | 208 | 115 | |
| 150 أمبير | 150 | 230 | 265 | 8-19 | 22 | 310 | 232 | 150 | |
| 200A | 200 | 280 | 320 | 8-23 | 24 | 380 | 294 | 200 | |
| 250 أمبير | 250 | 345 | 385 | 12-23 | 26 | 400 | 344 | 250 | |
| 300 أمبير | 300 | 390 | 430 | 12-23 | 28 | 450 | 406 | 300 | |
| 350A | 350 | 435 | 480 | 12-23 | 30 | 510 | 460 | 350 | |
| قائمة المواد | |||||
| لا. | وصف | مادة | الكمية | ملاحظة | |
| 1 | جسم | FC200 | 1 | ||
| 2 | جوزة الغدة | SS400 | 2 | ||
| 3 | زجاج | مقاوم للحرارة | 2 | ||
| 4 | حشية | خالٍ من الأسبستوس | 4 | ||
| 5 | لوحة الاسم | BsP1 | 1 | ||
No. 7, inside No. 345, Linfu West Street, Yingdong Village, Beian Sub-district Office, Jimo District, Qingdao City, Shandong Province