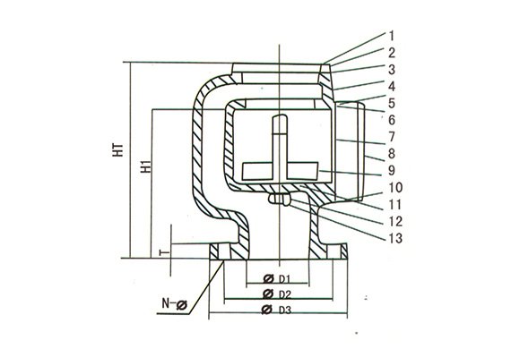
| وحدة الأبعاد : مم | ||||||||||||||
| مقاس | D1 | D2 | D3 | HT | H1 | تي | شمال | أ | A3 | R | وزن | |||
| 50A | 50 | 105 | 130 | 175 | 127 | 14 | 4-Φ15 | 179 | 139 | 135 | 7.4 | |||
| 65A | 65 | 130 | 155 | 204 | 164 | 14 | 4-Φ15 | 205 | 160 | 146 | 12.6 | |||
| 80A | 80 | 145 | 180 | 244 | 176 | 14 | 4-Φ15 | 237 | 188 | 156 | 16 | |||
| 100 أمبير | 100 | 165 | 200 | 220 | 160 | 16 | 8-Φ19 | 245 | 155 | 250 | 23 | |||
| 125 أمبير | 125 | 200 | 235 | 250 | 180 | 16 | 8-Φ19 | 270 | 180 | 288 | 34 | |||
| 150 أمبير | 150 | 230 | 265 | 285 | 208 | 18 | 8-Φ19 | 316 | 216 | 330 | 47 | |||
| 200A | 200 | 280 | 320 | 365 | 269 | 20 | 8-Φ23 | 394 | 174 | 432 | 72 | |||
| 250 أمبير | 250 | 345 | 385 | 430 | 314 | 22 | 12-Φ23 | 485 | 325 | 546 | 120 | |||
| 300 أمبير | 300 | 390 | 430 | 530 | 367 | 22 | 12-Φ23 | 550 | 384 | 616 | 178 | |||
| 350A | 350 | 435 | 480 | 570 | 415 | 24 | 12-Φ25 | 661 | 425 | 714 | 196 | |||
| 400 أمبير | 400 | 495 | 540 | 640 | 475 | 24 | 16-Φ25 | 703 | 457 | 749 | 235 | |||
| 450 أمبير | 450 | 555 | 605 | 713 | 522 | 24 | 16-Φ25 | 816 | 510 | 836 | 298 | |||
| قائمة المواد | ||
| أجزاء | مادة | |
| جسم | FC200 | |
| الغطاء العلوي | SS400 | |
| غطاء جانبي | SS400 | |
| قرص | SUS304 | |
| شبكة سلكية | SUS304 | |
| مسمار | SUS304 | |
| قضيب التوجيه | SUS304 | |
| تعبئة الهواء | المجلس الوطني للبحوث | |
| التعبئة العلوية | المجلس الوطني للبحوث | |
| تغليف الأقراص | المجلس الوطني للبحوث | |
No. 7, inside No. 345, Linfu West Street, Yingdong Village, Beian Sub-district Office, Jimo District, Qingdao City, Shandong Province