| وحدة الأبعاد: مم | ||||||||||||||
| تصنيف | مقاس | φd | ل | ح | شفة الترددات الراديوية | φW | ||||||||
| φD | φC | ت | ن-φح | |||||||||||
| 5 كيلومترات | 50A | 50 | 180 | 285 | 130 | 105 | 16 | 4-15 | 125 | |||||
| 65A | 65 | 190 | 330 | 155 | 130 | 18 | 4-15 | 140 | ||||||
| 80A | 80 | 200 | 380 | 180 | 145 | 18 | 4-19 | 160 | ||||||
| 100 أمبير | 100 | 230 | 430 | 200 | 165 | 20 | 8-19 | 180 | ||||||
| 125 أمبير | 125 | 250 | 495 | 235 | 200 | 20 | 8-19 | 200 | ||||||
| 150 أمبير | 150 | 270 | 560 | 265 | 230 | 22 | 8-19 | 224 | ||||||
| 200A | 200 | 290 | 680 | 320 | 280 | 24 | 8-23 | 280 | ||||||
| 250 أمبير | 250 | 330 | 800 | 385 | 345 | 26 | 12-23 | 355 | ||||||
| 300 أمبير | 300 | 370 | 920 | 430 | 390 | 28 | 12-23 | 400 | ||||||
| 350A | 335 | 410 | 1000 | 480 | 435 | 30 | 12-25 | 450 | ||||||
| 400 أمبير | 380 | 470 | 1100 | 540 | 495 | 30 | 16-25 | 500 | ||||||
| 10 آلاف | 50A | 50 | 200 | 300 | 155 | 120 | 20 | 4-19 | 140 | |||||
| 65A | 65 | 220 | 350 | 175 | 140 | 22 | 4-19 | 160 | ||||||
| 80A | 80 | 230 | 400 | 185 | 150 | 22 | 8-19 | 180 | ||||||
| 100 أمبير | 100 | 250 | 450 | 210 | 175 | 24 | 8-19 | 200 | ||||||
| 125 أمبير | 125 | 270 | 520 | 250 | 210 | 24 | 8-23 | 224 | ||||||
| 150 أمبير | 150 | 290 | 580 | 280 | 240 | 26 | 8-23 | 250 | ||||||
| 200A | 200 | 320 | 700 | 330 | 290 | 26 | 12-23 | 315 | ||||||
| 250 أمبير | 250 | 380 | 840 | 400 | 355 | 30 | 12-25 | 400 | ||||||
| 300 أمبير | 300 | 440 | 960 | 445 | 400 | 32 | 16-25 | 450 | ||||||
| 350A | 335 | 500 | 1050 | 490 | 445 | 34 | 16-25 | 500 | ||||||
| 400 أمبير | 380 | 590 | 1150 | 560 | 510 | 36 | 16-27 | 560 | ||||||
| 450 أمبير | 430 | 640 | واحد | 620 | 565 | 38 | 20-27 | واحد | ||||||
| 500 أمبير | 480 | 710 | واحد | 675 | 620 | 40 | 20-27 | واحد | ||||||
| 550A | 530 | 780 | واحد | 745 | 680 | 42 | 20-33 | واحد | ||||||
| 600 أمبير | 580 | 850 | واحد | 795 | 730 | 44 | 24-33 | |||||||
| 16 ألف | 300 أمبير | 300 | 490 | 1010 | 480 | 430 | 36 | 16-27 | 560 | |||||
| 350A | 335 | 540 | 1070 | 540 | 480 | 38 | 16-33 | 560 | ||||||
| 400 أمبير | 380 | 610 | 1185 | 605 | 540 | 42 | 16-33 | 630 | ||||||
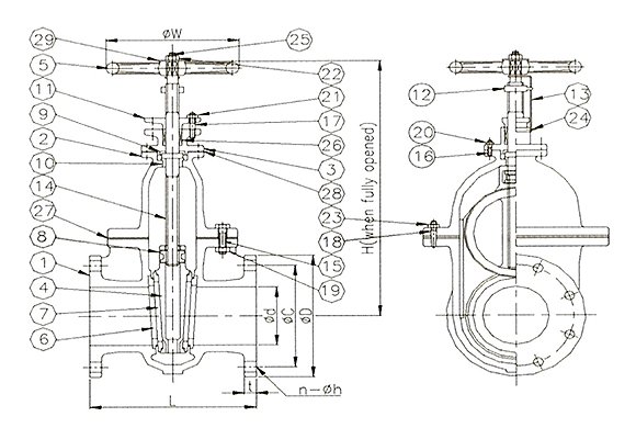
| قائمة المواد | |||
| لا. | أجزاء | مادة | |
1 | جسم | FC200 | |
| 2 | غطاء محرك السيارة | FC200 | |
| 3 | صندوق الحشو | FC200 | |
| 4 | قرص | FC200 | |
| 5 | عجلة يدوية | FC200 | |
| 6 | مقعد صمام الجسم | SCS13 | |
| 7 | مقعد صمام القرص | SCS13 | |
| 8 | قطعة مثبتة ببراغي | CAC406(BC6) | |
| 9 | دليل التوجيه | CAC406(BC6) | |
| 10 | دليل التوجيه | CAC406(BC6) | |
| 11 | غدة التعبئة | CAC406(BC6) | |
| 12 | مؤشر | CAC406(BC6) | |
| 13 | لوحة المؤشر | C2801 | |
| 14 | ينبع | SUS403 | |
| 15 | مسمار ملولب، مسمار سداسي الرأس | SS400 | |
| 16 | مسمار تثبيت | SS400 | |
| 17 | مسمار تثبيت | SS400 | |
| 18 | دبوس مدبب بخيط | SUS403 | |
| 19 | صامولة سداسية | SS400 | |
| 20 | صامولة سداسية | SS400 | |
| 21 | صامولة سداسية | SS400 | |
| 22 | صامولة سداسية | C3604 | |
| 23 | صامولة سداسية | SS400 | |
| 24 | برغي آلة | C2700 | |
| 25 | دبوس مشقوق | C2600 | |
| 26 | التعبئة والتغليف | جرافيت | |
| 27 | حشية | ممنوع استخدام الأسبستوس | |
| 28 | حشية | ممنوع استخدام الأسبستوس | |
| 29 | لوحة الاسم | C2801 | |
| وحدة ضغط الاختبار الهيدروليكي : كجم/سم² | ||||||||||||||
| تصنيف | 5 | 10 | 16 | |||||||||||
| القطر الاسمي | 400 أمبير أو أقل | من 450 أمبير إلى 600 أمبير | 400 أمبير أو أقل | من 450 أمبير إلى 600 أمبير | ||||||||||
| فحص هيدروليكي للهيكل | 10.5 | 7.5 | 21 | 18 | 24 | |||||||||
| فحص مانع لتسرب الماء لمقعد الصمام | 7.7 | 5.5 | 15.4 | 13.2 | 17.6 | |||||||||
No. 7, inside No. 345, Linfu West Street, Yingdong Village, Beian Sub-district Office, Jimo District, Qingdao City, Shandong Province