| الوحدة: كجم/سم | |||||||
| تصنيف | 5 | ||||||
| صدَفَة | 10.5 | ||||||
| مقعد | 7.7~4 | ||||||
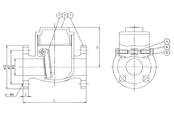
| قائمة المواد | ||||||||||
| لا. | أجزاء | مادة | ||||||||
1 | جسم | CAC406(BC6) | ||||||||
| 2 | غطاء محرك السيارة | CAC406(BC6) | ||||||||
| 3 | قرص | CAC406(BC6) | ||||||||
| 4 | مسمار المفصلة | C3604 | ||||||||
| 5 | سدادة | SUS304 | ||||||||
| 6 | حشية | مادة PTFE | ||||||||
وحدة الأبعاد : مم | ||||||||||||||||||||
| مقاس | φd | ل | ح | شفة 5K FF | في | الوزن (كجم) | ||||||||||||||
| φD | φC | ت | ن-φح | |||||||||||||||||
| 25A | 25 | 130 | 105 | 95 | 75 | 10 | 4-12 | 160 | 3.8 | |||||||||||
| 32A | 32 | 160 | 125 | 115 | 90 | 12 | 4-15 | 180 | 6.1 | |||||||||||
| 40A | 40 | 170 | 135 | 120 | 95 | 12 | 4-15 | 190 | 7.9 | |||||||||||
| 50A | 50 | 190 | 163 | 130 | 105 | 14 | 4-15 | 200 | 11.8 | |||||||||||
| 65A | 65 | 220 | 201 | 155 | 130 | 14 | 4-15 | 250 | 19.0 | |||||||||||
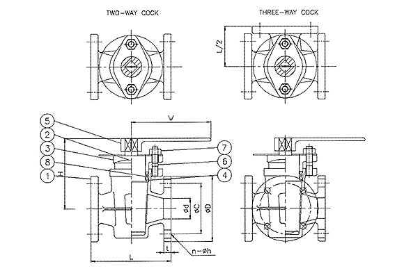
| قائمة المواد | ||||||
| لا. | أجزاء | مادة | ||||
| 1 | جسم | CAC406(BC6) | ||||
| 2 | سدادة | CAC406(BC6) | ||||
| 3 | غدة التعبئة | C3771 | ||||
| 4 | القيادة | C3771 | ||||
| 5 | مقبض | S25C | ||||
| 6 | صامولة مسمار التثبيت | C3604 | ||||
| 7 | صامولة سداسية | C3604 | ||||
| 8 | التعبئة والتغليف | ممنوع استخدام الأسبستوس | ||||
No. 7, inside No. 345, Linfu West Street, Yingdong Village, Beian Sub-district Office, Jimo District, Qingdao City, Shandong Province