| وحدة الأبعاد : مم | |||||||||||||
| تصنيف | مقاس | φd | ل | ح | شفة FF | φW | الوزن (كجم) | ||||||
| φD | φC | ت | ن—ف | ||||||||||
| 5K F7367 | 15أ | 15 | 90 | 175 | 80 | 60 | 9 | 4-12 | 80 | 2.29 | |||
| 20A | 20 | 100 | 200 | 85 | 65 | 10 | 4-12 | 80 | 2.98 | ||||
| 25A | 25 | 110 | 220 | 95 | 75 | 10 | 4-12 | 100 | 4.10 | ||||
| 32A | 32 | 130 | 250 | 115 | 90 | 12 | 4-15 | 100 | 5.79 | ||||
| 40A | 40 | 140 | 290 | 120 | 95 | 12 | 4-15 | 125 | 7.78 | ||||
| 10K F7368 | 15أ | 15 | 100 | 175 | 95 | 70 | 12 | 4-15 | 80 | 2.96 | |||
| 20A | 20 | 110 | 200 | 100 | 75 | 14 | 4-15 | 80 | 3.89 | ||||
| 25A | 25 | 120 | 220 | 125 | 90 | 14 | 4-19 | 100 | 5.82 | ||||
| 32A | 32 | 140 | 250 | 135 | 100 | 16 | 4-19 | 100 | 7.52 | ||||
| 40A | 40 | 150 | 290 | 140 | 105 | 16 | 4-19 | 125 | 9.71 | ||||
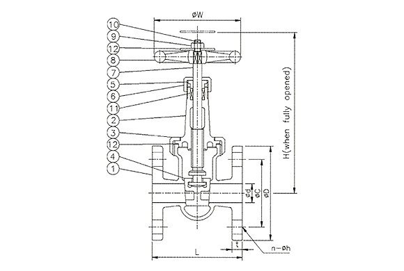
| قائمة المواد | |||
| لا. | أجزاء | مادة | |
| 1 | جسم | CAC406(BC6) | |
| 2 | غطاء محرك السيارة | CAC406(BC6) | |
| 3 | قرص | CAC406(BC6) | |
| 4 | صامولة القرص | CAC406(BC6) | |
| 5 | غدة التعبئة | C3604 | |
| 6 | صامولة غدة التعبئة | C3604 | |
| 7 | ينبع | C3771 | |
| 8 | عجلة يدوية | FC200 | |
| 9 | صامولة سداسية | C3604 | |
| 10 | دبوس مشقوق | C2600 | |
| 11 | التعبئة والتغليف | جرافيت | |
| 12 | لوحة الاسم | C2801 أو SUS304 | |
| وحدة ضغط الاختبار الهيدروليكي : كجم/ م² | |||||||||
| تصنيف | 5 | 10 | |||||||
| صدَفَة | 10.5 | 21.0 | |||||||
| مقعد | 7.7 | 15.4 | |||||||
| وحدة أقصى ضغط تشغيل: كجم/سم² | ||||||||
| تصنيف حالة السائل | 5 | 10 | ||||||
| بخار | 2 | 2 | ||||||
| الزيت والماء النابض | 5 | 10 | ||||||
| ماء غير معالج حرارياً بدرجة حرارة 120 درجة مئوية أو أقل | 7 | 14 | ||||||
No. 7, inside No. 345, Linfu West Street, Yingdong Village, Beian Sub-district Office, Jimo District, Qingdao City, Shandong Province